Unit of Measure
Specifications
|
Absolute Maximum Ratings (TA = 25 Degree Celsius (ºC) Temperature)
|
Operating Characteristics (TA = 25 Degree Celsius (ºC) Temperature)
|
Features
|
Note
Specifications
Manufacturer Stock |
N/A {0} |
Brands |
N/A SunLED |
Manufacturer |
N/A SunLED |
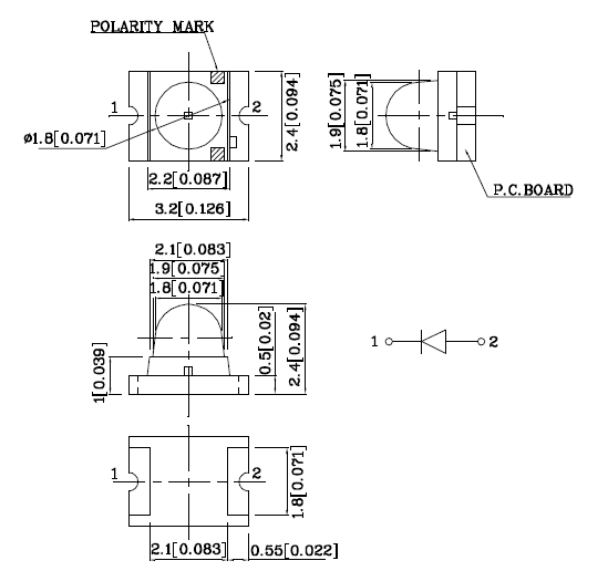
Size |
N/A 3.2 x 2.4 mm |
Tolerance (±) |
N/A 0.1 mm0.004 in |
Emitting Color |
N/A Red |
Emitting Material |
N/A Aluminum Gallium Indium Phosphide (AlGaInP) |
Lens Color |
N/A Water Clear |
Minimum Luminous Intensity at IF=20 Milliampere (mA) Current |
N/A 7000 mcd |
Typical Luminous Intensity at IF=20 Milliampere (mA) Current |
N/A 8990 mcd |
Minimum Luminous Intensity with CIE127-2007 at IF= 20 Milliampere (mA) Current |
N/A 2700 mcd |
Typical Luminous Intensity with CIE127-2007 at IF= 20 Milliampere (mA) Current |
N/A 3590 mcd |
Note for Luminous Intensity and Wavelength |
N/A Luminous intensity value and wavelength are in accordance with CIE127-2007 standards. |
Viewing Angle (2 θ 1/2) |
N/A 20 º |
Moisture Sensitivity Level (MSL) |
N/A 3 |
Units Per Package |
N/A 1500 |
Package Type |
N/A Reel |
Industry Standards |
N/A Restriction of Hazardous Substances (RoHS) Compliant |
Absolute Maximum Ratings (TA = 25 Degree Celsius (ºC) Temperature)
Reverse Voltage (VR) |
N/A 5 V |
Forward Current (IF) |
N/A 30 mA |
Forward Peak Current 1/10 Duty Cycle 0.1 Millisecond (ms) Pulse Width (iFS) |
N/A 150 mA |
Power Dissipation (PD) |
N/A 84 mW |
Operating Temperature (TA) |
N/A -40 ~ +85 ºC |
Storage Temperature Range (TSTG) |
N/A -40 ~ +85 ºC |
Operating Characteristics (TA = 25 Degree Celsius (ºC) Temperature)
Typical Forward Voltage (VF) at IF=20 Milliampere (mA) Current (Operating Characteristics) |
N/A 2.2 V |
Maximum Forward Voltage (VF) at IF=20 Milliampere (mA) Current (Operating Characteristics) |
N/A 2.8 V |
Maximum Reverse Current (IR) at VR=5 Volt (V) Voltage |
N/A 10 µA |
Typical Wavelength of Peak Emission with CIE127-2007 (λP) at IF=20 Milliampere (mA) Current |
N/A 640 nm |
Typical Wavelength of Dominant Emission with CIE127-2007 (λD) at IF=20 Milliampere (mA) Current |
N/A 625 nm |
Typical Spectral Line Full Width at Half-Maximum (Δλ) at IF=20 Milliampere (mA) Current |
N/A 25 nm |
Typical Capacitance (C) at VF=0 Volt (V) Voltage, f= 1 Megahertz (MHz) Frequency |
N/A 27 pF |
We use cookies to ensure that we give you the best experience on our website. If you continue to use this site we will assume that you are happy with it.Ok