Unit of Measure
Specifications
|
Standard Tolerances
|
Materials
|
Technical Specifications
|
Additional Notes and Specifications
Specifications
Manufacturer Stock |
N/A {0} |
Brands |
N/A Mill-Max® |
Manufacturer |
N/A Mill-Max� |
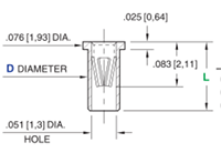
Diameter (D) |
N/A 0.058 in1.47 mm |
Length (L) |
N/A 0.155 in3.94 mm |
| Mounting Feature1 | N/A Solder Mount |
Mounting Hole Diameter |
N/A 0.059 in1.499 mm |
Pin Diameter Range |
N/A 0.025 to 0.037 in0.635 to 0.940 mm |
Packaging |
N/A Packaged in Bulk |
| Restriction of Hazardous Substances (RoHS)2 | N/A true |
| Product Lifecycle3 | N/A Active |
Current Rating at 10 Degree Celsius (ºC) Temperature Rise |
N/A 4.5 A |
Standard Tolerances
Standard Length Tolerance (±) |
N/A 0.005 in0.13 mm |
Standard Diameter Tolerance (±) |
N/A 0.002 in0.051 mm |
Standard Angle Tolerance (±) |
N/A 2 º |
Materials
| Shell Material4 | N/A Brass Alloy |
| Shell Plating5 | N/A 200 to 300 µin Tin (Matte Finish) over Nickel |
| Contact Plating6 | N/A 200 - 300 µin Tin (matte finish) over Nickel |
Technical Specifications
| Minimum Durability7 | N/A 1000 cycles |
| Operating Temperature Range8 | N/A -55/+125 ºC |
| Maximum Contact Resistance9 | N/A 10 mΩ |
| Shock10 | N/A No Elect. Discontinuity > 1 μs at 50 g |
| Vibration11 | N/A No Elect. Discontinuity > 1 µs at 10 to 2000 Hz, 20 G |
Additional Notes and Specifications
Additional Notes and Specifications |
N/A In the interest of improved design, quality and performance, Mill-Max® reserves the right to make changes in its specifications without prior notice. Specifications and tolerances are provided wherever possible. The tolerance on dimensions of critical to function features is typically held tighter than the stated standard tolerances, such as press-fits, holes and lengths affecting the coplanarity of SMT products. Due to the wide variety of interconnects Mill-Max® offers, the specific tolerances vary from product to product. If you need information regarding the tolerance of a particular part, please contact Technical Services. |
- 1 For through-hole solder mounting of this part, the suggestion is to make the finished hole size, at its minimum, 0.004" larger than the diameter being soldered into the mounting hole.
- 2 Mill-Max® products labeled with the RoHS symbol are compliant with all three RoHS Directives. All of our products previously described as RoHS (2002/95/EC) and RoHS-2 (2011/65/EC) are also compliant with RoHS-3 (2015/863/EU).
- 3 Part is Active and in Production, No Scheduled Obsolescence.
- 4 Brass Alloy 360 per ASTM B 16, or 385 per ASTM B455.
- 5 TIN (100%) per ASTM B 545, Matte finish (With whisker and oxide inhibitors); NICKEL per ASTM B 689, Type 2 (Bright).
- 6 TIN (100%) per ASTM B 545, Matte finish (With whisker and oxide inhibitors); NICKEL per ASTM B 689, Type 2 (Bright).
- 7 Receptacles are capable of 1,000 Minimum insertion/extraction cycles for a broad range of applications. Mating pin size, shape and finish, along with application specific variables, will affect the life of a receptacle contact.
- 8 Per IEC 60512-11-(4,-9,-10,-12).
- 9 Per EIA-364-23C, Low Level Contact Resistance.
- 10 Per IEC 60512-6-3: Test 6c: Shock.
- 11 Per IEC 60512-6-4: Test 6d: Vibration (sinusoidal).
We use cookies to ensure that we give you the best experience on our website. If you continue to use this site we will assume that you are happy with it.Ok